电动汽车

IGBT模块通过在电池和电机之间切换电源来控制电动汽车电机,调节电压和电流,以确保平稳加速和高效能源使用。

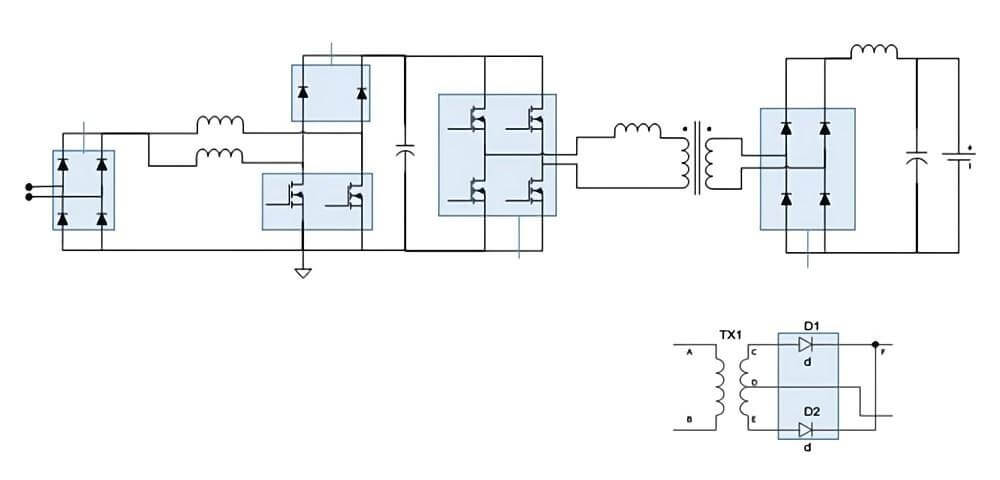
电动汽车解决方案

后部照明
后部照明
PTC 加热器
高压空调压缩机

扫描-添加好友

微信 / WeChat

扫描-添加好友

微信 / WeChat

Scan to chat now

WhatsApp