SKU : 6c95a1807fd6
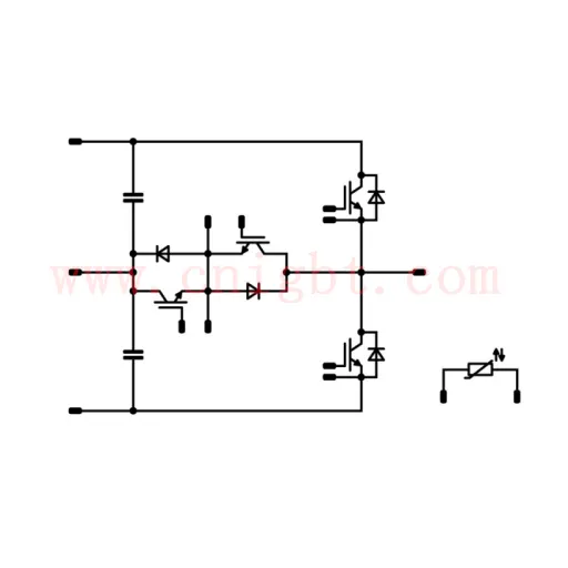
• FlowPIM 0B + PFC • 600V • 10A
支持顺丰速运,最快隔日达
同型号发票,一对一
老客户享受更优惠的价格
• PIM+PFC (CIP) • CIP-OE-NTC
微信 / WeChat
WhatsApp
AI robot