CT600CJ1A060-A

SKU : 932d90075201

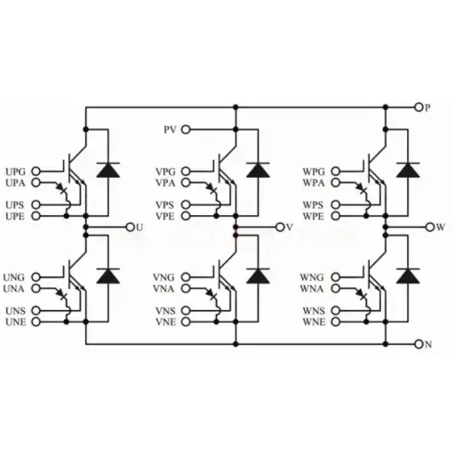
Contribute to the miniaturization and lightweight of automotive inverters through compact packaging
– By incorporating the 7th generation IGBT with CSTBTTM structure, the power consumption of automotive inverters is reduced and their reliability is improved

顺丰速运

支持顺丰速运,最快隔日达

对公付款

同型号发票,一对一

促销

老客户享受更优惠的价格

描述

– Equipped with the 7th generation IGBT utilizing the CSTBTTM structure
– High-reliability packaging utilizing DLB structure
– Equipped with 6 power devices, featuring an integrated water-cooling fin package
-Achieve high output density through miniaturization and lightweight design
– Equipped with a silicon temperature sensor diode
– Equipped with silicon current sensor (for overcurrent protection)

其他信息

重量 59.23 克
尺寸 80 × 80 × 25 厘米

扫描-添加好友

微信 / WeChat

扫描-添加好友

微信 / WeChat

Scan to chat now

WhatsApp

AI 机器人

AI robot

AI 机器人