PSS35MC1FT

SKU : e29073ca4e28

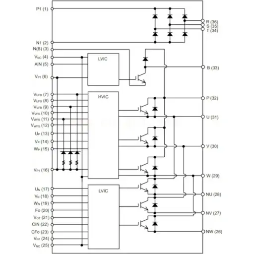
DIPIPM+
– The IPM with built-in converter and brake circuit significantly reduces the number of components

-Built-in converter circuit and brake circuit, which is conducive to reducing external components and downsizing the inverter

顺丰速运

支持顺丰速运,最快隔日达

对公付款

同型号发票,一对一

促销

老客户享受更优惠的价格

描述

– After adding a converter circuit and a brake circuit to our company’s product “DIPIPM” featuring a built-in inverter circuit and drive circuit, the entire assembly is encapsulated
– Utilizing our company’s unique direct wire bonding technology to achieve compact packaging
-An intelligent power semiconductor module, featuring a built-in BSD with current limiting resistor, various protection functions, analog temperature output function, and a control component with built-in protection function.
-Built-in converter circuit and brake circuit are beneficial for reducing external components and downsizing the inverter
-Simplify the wiring layout of the circuit board to make the inverter system easier to design.
The technology of directly connecting E4IC and IGBT with wires

其他信息

重量 59.23 克
尺寸 80 × 80 × 25 厘米

扫描-添加好友

微信 / WeChat

扫描-添加好友

微信 / WeChat

Scan to chat now

WhatsApp

AI 机器人

AI robot

AI 机器人