SKU : 94a08fe1fb68
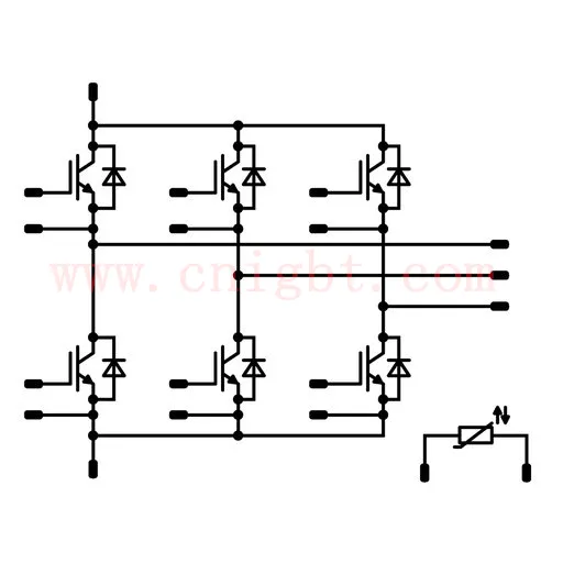
• FlowPIM 0 • 600V • 15A
支持顺丰速运,最快隔日达
同型号发票,一对一
老客户享受更优惠的价格
• PIM (CIB) • CIB-OE-NTC
微信 / WeChat
WhatsApp
AI robot